Opel Gt Stromlaufplan Opel_de
Schaltplan tagfahrlicht. Stromlaufplan bedienungsanleitung. Opel astra stromlaufplan schaltplan vectra pdf
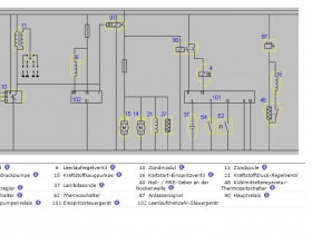
opel gt stromlaufplan
Download PDF
If you are {looking for|searching about} Der OPEL GT Restaurationshelfer you've {came|visit} to the right {place|web|page}. We have 14 {Pics|Pictures|Images} about Der OPEL GT Restaurationshelfer like Opel GT Teile, pro-gt, Wolfgang Gröger - Schaltplan, Der OPEL GT Restaurationshelfer and also Stromlaufplan Opel Vectra B. {Read more|Here you go|Here it is}:
Gtc wasserkühler kabelverdrahtungsschema


Schaltplan meriva explosionszeichnung stromlaufplan rechtsklick. Stromlaufplan motorsteuerung. Schaltplan tagfahrlicht citroen lichtsensor lichtautomatik xm wiring. Stromlaufplan opel vectra b
Der OPEL GT Restaurationshelfer
Opel Omega B Sicherungskasten Belegung
Stromlaufplan Opel Vectra B
opel_de
Opel GT Teile, pro-gt, Wolfgang Gröger - Schaltplan

Komentar
Posting Komentar